Go to documentation repository
Documentation for Intellect 4.10.4. Documentation for other versions of Intellect is available too.
Previous page Next page
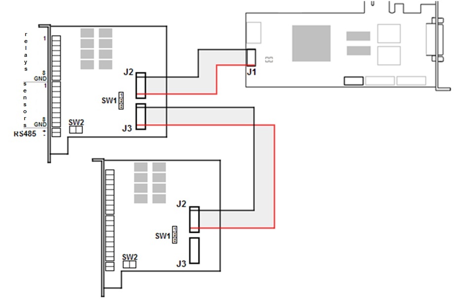
Building security video subsystem with the use of Stratch VRC7008L video capture card one can install Sensor-Relay cards in order to connect external sensors and executive devices (relays) to the Server.
Connect the Sensor-Relay card as follows:
If sensors need power supply (active sensors), then set the SW1 jumper to 2 and 3 contacts, otherwise – to 1 and 2 contacts (passive sensors).
Note
The SW2 switch is used for the RS485 interface configuration. If two Sensor-Relay cards are in use, then the RS485 interface is disabled on the second card.
Make sure that the power of computer is off.
Connect the Sensor-Relay card to the vodeo capture card with the help of a loop bundled with the distribution kit. The loop is connected to the J1 and J2 connectors.
- If it is necessary connect one more Sensor-Relay card. Connect the loop to the J3 connector on the first and to the J2 connector on the second Sensor-Relay card.
- Install the Sensor-Relay card into a vacant motherboard slot and fix it in the casing.
- Connect sensors and relays in accordance with the pinout of external pin of the Sensor-Relay card.
The Sensor-Relay is now connected.