Go to documentation repository
Documentation for Intellect 4.10.4. Documentation for other versions of Intellect is available too.
Previous page Next page
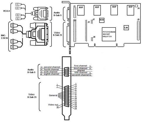
FS-6 video capture card has 2 external pins - D-SUB-9 and D-SUB-25. Video connection is performed with the help of D-SUB-25/BNC stub. Simultaneous connection of up to 16 cameras is possible. D-SUB-9/RCA-8 interface cable is used for connecting the audio channels (up to 8 sound sources simultaneously) to the external D-SUB-9 pin of FS-6 video capture card. Analog output card is connected to J2, J7, J8 pins. The Watchdog cable is connected to the J1 pin. The J9 pin is designed for connecting the 4/4 or 16/4 Sensor-Relay card (see Connecting 4/4 and 16/4 Sensor-Relay cards).
Overview
Content Tools