Go to documentation repository
Documentation for Intellect 4.11.0-4.11.3. Documentation for other versions of Intellect is available too.
Previous page Next page
Multichannel digital-to-analogue conversion 4/4 and 16/4 Sensor-Relay cards can be installed on the Server depending on the security system requirements:
The 4/4 Sensor-Relay cards enable to process the signals from 4 sensors and the 16/4 cards - from 16 sensors. Simultaneously with processing the sensors signals these cards perform digital-analogue convesion and transmit up to 4 control signals to executive devices (relays).
The 4/4 and 16/4 Sensor-Relay cards have power (24V) and grounding terminals. The 4/4 and 16/4 Sensor-Relay cards and are installed in the J9 connector on FS-5, FS-6, FS-16 and FS-8 video capture cards (see Appendix 5. Video capture cards pins).
Connect Sensor-Relay cards as follows:
- Make sure that power supply of the video capture card is off.
- Install the Sensor-Relay card on the video capture card in the J9 connector.
Connector on the Sensor-Relay card for connecting to the video capture card (by the example of 4/4 and 16/4 Sensor-Relay cards):
Connector J9 on the video capture card for connecting the Sensor-Relay card (by the example of FS6 video capture card):
Installation of the Sensor-Relay card on the video capture card (by the example of 4/4 and 16/4 Sensor-Relay cards and FS6 video capture card):
- Fix the Sensor-Relay card on the video capture card with the help of screws bundled with the distribution kit of the Sensor-Relay card.
Connect the interface cable (bundled with the distribution kit of the Sensor-Relay card) to the Sensor-Relay card with the help of special connector:
Note
For interface cable connection the 4/4 Sensor-Relay card has J6 connector, 16/4 Sensor-Relay card has J6 and J7 connectors.
Attention!
The first wire of the interface cable (marked red) is to match the first pin of corresponding connector of the Sensor-Relay card.
Sensor-Relay interface cable:
:
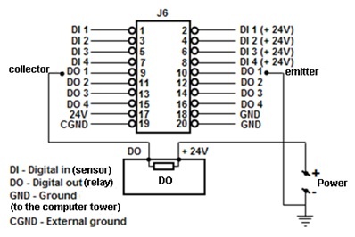
Connectors on the Sensor-Relay card for the interface cable connection (by the example of 4/4 and 16/4 Sensor-Relay cards):J6 and J7 connector pinout:
Example of the interface cable connection to the 4/4 Sensor-Relay card:
To connect Sensor-Relay, unsolder the connector bundled with the distribution kit of the Sensor-Relay card. Unsoldering is made in accordance with the external connector pinout of the Sensor-Relay interface cable, taking into account power circuit of connected devices.
External connector pinout of the Sensor-Relay interface cable:
Sensor types and features of their connection:
Example of power relay connection (with external power supply):
Example of low-power relay (power supply on the card):- Fix the unsoldered connector in the casing bundled with the distribution kit of the Sensor-Relay card.
- Connect ready-for-use connector to external connector of the Sensor-Relay interface cable in order to connect Sensor-Relay to the Server.
The Sensor-Relay cards are now connected.
















