Documentation for Axxon PSIM 1.0.0-1.0.1.

Previous page Next page


Multichannel digital-to-analogue conversion 4/4 and 16/4 Sensor-Relay cards can be installed on the Server depending on the security system requirements:

The 4/4 Sensor-Relay cards enable to process the signals from 4 sensors and the 16/4 cards - from 16 sensors. Simultaneously with processing the sensors signals these cards perform digital-analogue convesion and transmit up to 4 control signals to executive devices (relays).

The 4/4 and 16/4 Sensor-Relay cards have power (24V) and grounding terminals. The 4/4 and 16/4 Sensor-Relay cards and are installed in the J9 connector on FS-5, FS-6, FS-16 and FS-8 video capture cards (see Appendix 4. Video capture cards pins).  

Connect Sensor-Relay cards as follows:  

  1. Make sure that power supply of the video capture card is off.
  2. Install the Sensor-Relay card on the video capture card in the J9 connector.

    Connector on the Sensor-Relay card for connecting to the video capture card (by the example of 4/4 and 16/4 Sensor-Relay cards):

    Connector J9 on the video capture card for connecting the Sensor-Relay card (by the example of FS6 video capture card):

    Installation of the Sensor-Relay card on the video capture card (by the example of 4/4 and 16/4 Sensor-Relay cards and FS6 video capture card):

  3. Fix the Sensor-Relay card on the video capture card with the help of screws bundled with the distribution kit of the Sensor-Relay card.
  4. Connect the interface cable (bundled with the distribution kit of the Sensor-Relay card) to the Sensor-Relay card with the help of special connector:

    Note

    For interface cable connection the 4/4 Sensor-Relay card has J6 connector, 16/4 Sensor-Relay card has J6 and J7 connectors.

    Attention!

    The first wire of the interface cable (marked red) is to match the first pin of corresponding connector of the Sensor-Relay card.

    Sensor-Relay interface cable:
    :
    Connectors on the Sensor-Relay card for the interface cable connection (by the example of 4/4 and 16/4 Sensor-Relay cards):

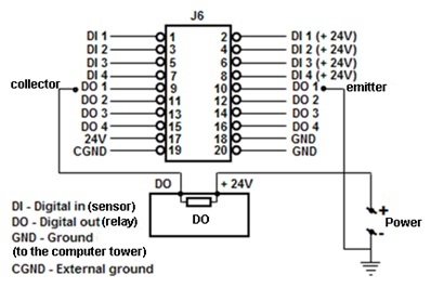
    J6 and J7 connector pinout:

    Example of the interface cable connection to the 4/4 Sensor-Relay card:

  5. To connect Sensor-Relay, unsolder the connector bundled with the distribution kit of the Sensor-Relay card. Unsoldering is made in accordance with the external connector pinout of the Sensor-Relay interface cable, taking into account power circuit of connected devices.
    External connector pinout of the Sensor-Relay interface cable:

    Sensor types and features of their connection:

    Example of power relay connection (with external power supply):

    Example of low-power relay (power supply on the card):



  6. Fix the unsoldered connector in the casing bundled with the distribution kit of the Sensor-Relay card.
  7. Connect ready-for-use connector to external connector of the Sensor-Relay interface cable in order to connect Sensor-Relay to the Server.

The Sensor-Relay cards are now connected.