Go to documentation repository
Contact technical support
Previous page Next page
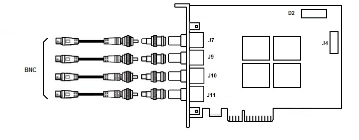
VRC6404 HD video capture card has BNC pins through which cameras are connected. Up to 4 cameras can be connected. There is the 15-pin SATA (J4) power socket. D2 pin is used to connect DI/DO card.