Dokumentation für die Version Axxon Next 3.6.4. Eine Dokumentation für andere Versionen ist [ebenfalls erhältlich].

Vorherige Seite Folgeseite

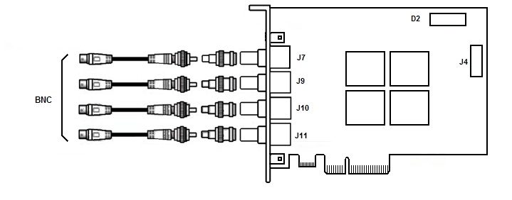
Die Videoeingangskarte VRC6404 HD ist mit BNC-Schnittstellen für den Anaschluss von Videokameras ausgerüstet. Es lassen sich bis zu 4 Kameras anschließen. Auch gibt es auf der Karte einen 15-poligen SATA-Stromanschluss (J4). Schnittstelle D2 dient dem Anschluss der Sensor/Relais-Karte.

  • No labels