Documentation for Axxon Next 3.6.4. Documentation for other versions of Axxon Next is [available too].

Previous page Next page

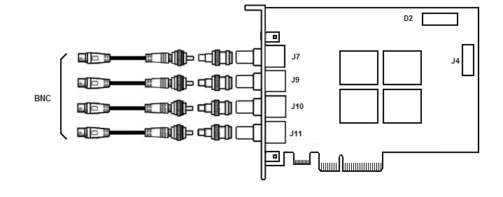
VRC6404 HD video capture card has BNC pins through which cameras are connected. Up to 4 cameras can be connected. There is the 15-pin SATA (J4) power socket. D2 pin is used to connect DI/DO card.

  • No labels