Dokumentation für die Version Axxon Next 4.4.6. Eine Dokumentation für andere Versionen ist [ebenfalls erhältlich].
Vorherige Seite Folgeseite
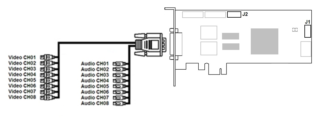
Die Videoeingangskarte VRC7008L ist mit einer DVI-Schnittstelle ausgerüstet. Ein DVI/BNC-Schnittstellenkabel dient zum gleichzeitigen Anschluss von bis zu 8 Überwachungskameras und bis zu 8 Audioquellen an die DVI-Schnittstelle der Videoeingangskarte VRC7008L. An Schnittstelle J1 wird die Sensor/Relais-Karte angeschlossen. Anschluss J2 entspricht einem analogen Videoausgang.
Overview
Content Tools

