Documentation for Axxon PSIM 1.0.0-1.0.1.

Previous page Next page


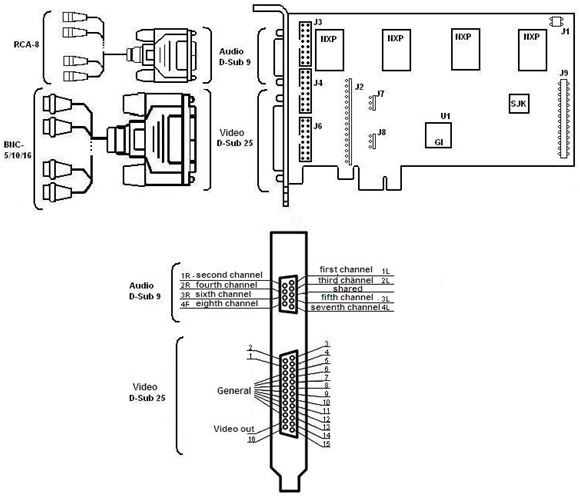
FS16 (Exp) video capture card has 2 external pins - D-SUB-9 and D-SUB-25. Video connection is performed with the help of D-SUB-25/BNC stub. Simultaneous reception of up to 16 video images is possible. D-SUB-9/RCA-8 interface cable is used for connecting the audio channels to the external D-SUB-9 pin of FS16 (Exp) video capture card (up to 8 sound sources simultaneously). Analog output card is connected to J2, J7, J8 pins. The Watchdog cable is connected to the J1 pin. The J9 pin is designed for connecting the 4/4 or 16/4 Sensor-Relay card (see Connecting 4/4 and 16/4 Sensor-Relay cards).